如何調整冰箱的水平及門的高低

最後更新日期 : 2024年10月21日

為了提升服務滿意度,誠摯的邀請您在看完本則常見問答後,可以在文章下方給予我們滿意度鼓勵,以期日後提供更優質的服務,謝謝。

-找不到您需要的功能嗎?或是需要專業技術支援!請點擊視窗右下方客服圖像立即啟動 24 小時線上文字客服

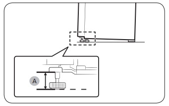
1 調整冰箱的水平

將平頭螺絲起子插入控制桿,透過順時針或逆時針轉動調整冰箱水平。

  • 順時針升高冰箱
  • 逆時針降低冰箱
調整門的水平高低

建議將冰箱前面調整略高於後面,以方便箱門開關並避免箱門物品過重無法閉合。

.
2 調整箱門的高低(適用多門或對開冰箱)

若箱門左右高度不對稱,打開冰箱門並使用板手轉動調整箱門高低。

打開冰箱抽屜

部分冰箱提供卡環,即可調整至適當高度並插入卡環。(註:請勿同時使用多個卡環)

打開冰箱抽屜

若有任何需要協助之處,您可以諮詢 24小時線上文字客服 / 客服信箱,我們的專業團隊將隨時為您提供服務。

謝謝您的意見與回饋