冰箱門無法關緊
最後更新日期 : 2024年10月30日
為了提升服務滿意度,誠摯的邀請您在看完本則常見問答後,可以在文章下方給予我們滿意度鼓勵,以期日後提供更優質的服務,謝謝。
-找不到您需要的功能嗎?或是需要專業技術支援!請點擊視窗右下方客服圖像立即啟動 24 小時線上文字客服~
1
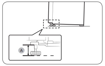
調整冰箱前端的支架,使冰箱輕微後傾。使用平頭螺絲起子,將其插入控制桿的凹槽中,進行旋轉以調整至水平狀態。
如圖所示,保持水平腳離地面 66 mm (A)。
2
減少門內儲物格中的物品重量,避免門承受過多重量。
3
若冰箱門的密封條變形導致密封不良,您可以使用吹風機加熱密封條以增加其可塑性。
加熱後,請關閉冰箱門並施加壓力以幫助密封條定型。
加熱後,請關閉冰箱門並施加壓力以幫助密封條定型。
- 可塑性: 指材料在外力作用下能發生形狀改變而不破裂的性質。
若有任何需要協助之處,您可以諮詢 24小時線上文字客服 / 客服信箱,我們的專業團隊將隨時為您提供服務。
謝謝您的意見與回饋
請回答所有問題。